地址:深圳市光明区薯田埔社区东益扬配件工业园B2栋
联系人:何建平
电话:13919413913 0755-27193913
传真:0755-27193931
QQ:1324596002
邮箱:1324596002@qq.com
网址 :kaliteozel.com
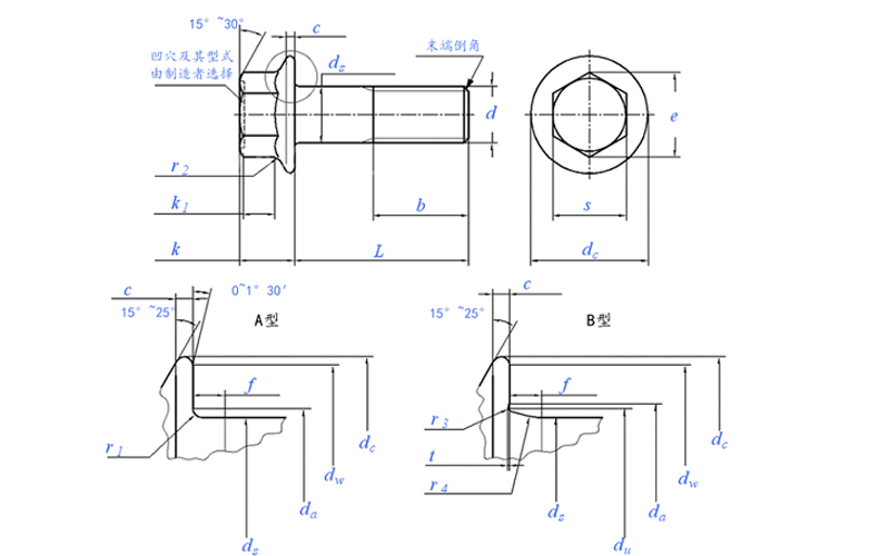
产品名称:GB5787带齿六角头法兰面螺栓

产品规格
| 螺纹规格 | M5 | M6 | M8 | M10 | M12 | (M14) | M16 | ||||
| d | |||||||||||
| P ① | 螺距 | 0.8 | 1 | 1.25 | 1.5 | 1.75 | 2 | 2 | |||
| b | L≤125 | 16 | 18 | 22 | 26 | 30 | 34 | 38 | |||
| 125<L≤200 | - | - | 28 | 32 | 36 | 40 | 44 | ||||
| L>200 | - | - | - | - | - | 53 | 57 | ||||
| c | 最小值 | 1 | 1.1 | 1.2 | 1.5 | 1.8 | 2.1 | 2.4 | |||
| da | A型 | 最大值 | 5.7 | 6.8 | 9.2 | 11.2 | 13.7 | 15.7 | 17.7 | ||
| B型 | 最大值 | 6.2 | 7.4 | 10 | 12.6 | 15.2 | 17.7 | 20.7 | |||
| dc | 最大值 | 11.4 | 13.6 | 17 | 20.8 | 24.7 | 28.6 | 32.8 | |||
| ds | 最大值 | 5 | 6 | 8 | 10 | 12 | 14 | 16 | |||
| 最小值 | 4.82 | 5.82 | 7.78 | 9.78 | 11.73 | 13.73 | 15.73 | ||||
| du | 最大值 | 5.5 | 6.6 | 9 | 11 | 13.5 | 15.5 | 17.5 | |||
| dw | 最小值 | 9.4 | 11.6 | 14.9 | 18.7 | 22.6 | 26.4 | 30.6 | |||
| e | 最小值 | 7.44 | 8.56 | 10.8 | 14.08 | 16.32 | 19.68 | 22.94 | |||
| f | 最大值 | 1.4 | 2 | 2 | 2 | 3 | 3 | 3 | |||
| k | 最大值 | 5.6 | 6.8 | 8.5 | 9.7 | 11.9 | 12.9 | 15.1 | |||
| k1 | 最小值 | 2.3 | 2.9 | 3.8 | 4.3 | 5.4 | 5.6 | 6.7 | |||
| r1 | 最小值 | 0.2 | 0.25 | 0.4 | 0.4 | 0.6 | 0.6 | 0.6 | |||
| r2 | 最大值 | 0.3 | 0.4 | 0.5 | 0.6 | 0.7 | 0.9 | 1 | |||
| r3 | 最小值 | 0.1 | 0.1 | 0.15 | 0.2 | 0.25 | 0.3 | 0.35 | |||
| r4 | 参考 | 3 | 3.4 | 4.3 | 4.3 | 6.4 | 6.4 | 6.4 | |||
| s | 最大值 | 7 | 8 | 10 | 13 | 15 | 18 | 21 | |||
| 最小值 | 6.64 | 7.64 | 9.64 | 12.57 | 14.57 | 17.57 | 20.48 | ||||
| t | 最大值 | 0.15 | 0.2 | 0.25 | 0.3 | 0.35 | 0.45 | 0.5 | |||
| 最小值 | 0.05 | 0.05 | 0.1 | 0.15 | 0.15 | 0.2 | 0.25 | ||||
| 螺纹长度b | - | - | - | - | - | - | - | ||||

材质:碳钢 不锈钢
电镀表色 洗白、钝化、六价铬锌、镀镍、环保彩锌、环保黑锌 达克罗、锌镍合金等



