地址:深圳市光明区薯田埔社区东益扬配件工业园B2栋
联系人:何建平
电话:13919413913 0755-27193913
传真:0755-27193931
QQ:1324596002
邮箱:1324596002@qq.com
网址 :kaliteozel.com
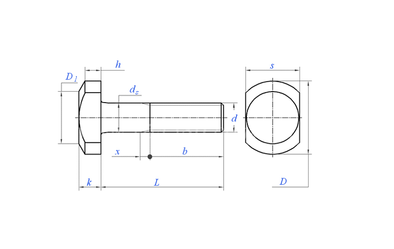
产品名称:GB37 T型槽用螺栓

产品规格
d | M5 | M6 | M8 | M10 | M12 | M16 | M20 | M24 | M30 | M36 | |
P | 螺距 | 0.8 | 1 | 1.25 | 1.5 | 1.75 | 2 | 2.5 | 3 | 3.5 | 3.5 |
b | L≤125 | 16 | 18 | 22 | 26 | 30 | 38 | 46 | 54 | 66 | 78 |
125<L≤200 | - | - | 28 | 32 | 36 | 44 | 52 | 60 | 72 | 84 | |
L>200 | - | - | - | - | - | 57 | 65 | 73 | 85 | 97 | |
ds | 最大值 | 5 | 6 | 8 | 10 | 12 | 16 | 20 | 24 | 30 | 36 |
最小值 | 4.7 | 5.7 | 7.64 | 9.64 | 11.57 | 15.57 | 19.48 | 23.48 | 29.48 | 35.38 | |
D | 12 | 16 | 20 | 25 | 30 | 38 | 46 | 58 | 75 | 85 | |
k | 最大值 | 4.24 | 5.24 | 6.24 | 7.29 | 8.89 | 11.95 | 14.35 | 16.35 | 20.42 | 24.42 |
最小值 | 3.76 | 4.76 | 5.76 | 6.71 | 8.31 | 11.25 | 13.65 | 15.65 | 19.58 | 23.58 | |
h | 2.8 | 3.4 | 4.1 | 4.8 | 6.5 | 9 | 10.4 | 11.8 | 14.5 | 18.5 | |
s | 最大值 | 9 | 12 | 14 | 18 | 22 | 28 | 34 | 44 | 56 | 67 |
最小值 | 8.64 | 11.57 | 13.57 | 17.57 | 21.16 | 27.16 | 33 | 43 | 54.8 | 65.1 | |
x | 最大值 | 2 | 2.5 | 3.2 | 3.8 | 4.2 | 5 | 6.3 | 7.5 | 8.8 | 10 |
千件钢制重≈kg | - | - | - | - | - | - | - | - | - | - | |

材质:碳钢 不锈钢
型号规格:碳钢 M5-36 不锈钢 M5-M12
电镀表色 洗白、钝化、六价铬锌、镀镍、环保彩锌、环保黑锌 达克罗、锌镍合金等





