地址:深圳市光明区薯田埔社区东益扬配件工业园B2栋
联系人:何建平
电话:13919413913 0755-27193913
传真:0755-27193931
QQ:1324596002
邮箱:1324596002@qq.com
网址 :kaliteozel.com
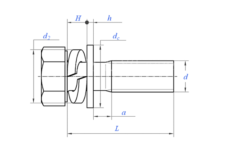
产品名称:GB9074.17外六角螺栓平弹垫组合

产品参数
螺纹尺寸 | M3 | M4 | M5 | M6 | M8 | M10 | M12 | |
d | ||||||||
h ② | 公称 | 0.5 | 0.8 | 1 | 1.6 | 1.6 | 2 | 2.5 |
H | 公称 | 2 | 2.75 | 3.25 | 4 | 5 | 6.25 | 7.5 |
dc | 公称 | 7 | 9 | 10 | 12 | 16 | 20 | 24 |
d2 | 参考 | 5.23 | 6.78 | 8.75 | 10.71 | 13.64 | 16.59 | 19.53 |
a | 最大值 | 1 | 1.4 | 1.6 | 2 | 2.5 | 3 | 3.5 |
①其他尺寸参考 | 螺栓:GB 5783; 垫圈:GB 9074.24、GB 9074.26 | |||||||
②M8, M10, M12的h值与GB 9074.24-88对应数值不一致 | ||||||||
材质 | 不锈钢 304 316 碳钢 1010 1008 10B21 1018 1022 铜 | |||||||
电镀表色 | 洗白 钝化 兰白锌 达克罗 锌镍合金等 | |||||||





