地址:深圳市光明区薯田埔社区东益扬配件工业园B2栋
联系人:何建平
电话:13919413913 0755-27193913
传真:0755-27193931
QQ:1324596002
邮箱:1324596002@qq.com
网址 :kaliteozel.com
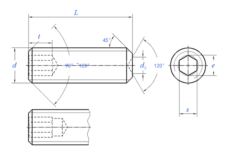
产品名称:DIN916内六角凹端紧定

产品参数
螺纹尺寸 | M1.4 | M1.6 | (M1.8) | M2 | M2.5 | M3 | M4 | ||||
d | |||||||||||
P | 螺距 | 0.3 | 0.35 | 0.35 | 0.4 | 0.45 | 0.5 | 0.7 | |||
dz | 最大值 | 0.7 | 0.8 | 0.9 | 1 | 1.2 | 1.4 | 2 | |||
最小值 | 0.45 | 0.55 | 0.65 | 0.75 | 0.95 | 1.15 | 1.75 | ||||
s | 公称 | 0.7 | 0.7 | 0.7 | 0.9 | 1.3 | 1.5 | 2 | |||
最大值 | 0.724 | 0.724 | 0.724 | 0.902 | 1.295 | 1.545 | 2.045 | ||||
最小值 | 0.711 | 0.711 | 0.711 | 0.889 | 1.27 | 1.52 | 2.02 | ||||
t | 最小值 | 短螺钉 | 0.6 | 0.7 | 0.8 | 0.8 | 1.2 | 1.2 | 1.5 | ||
长螺钉 | 1.4 | 1.5 | 1.6 | 1.7 | 2 | 2 | 2.5 | ||||
e | 最小值 | 0.803 | 0.803 | 0.803 | 1.003 | 1.427 | 1.73 | 2.3 | |||
螺纹尺寸 | M5 | M6 | M8 | M10 | M12 | (M14) | M16 | ||||
d | |||||||||||
P | 螺距 | 0.8 | 1 | 1.25 | 1.5 | 1.75 | 2 | 2 | |||
dz | 最大值 | 2.5 | 3 | 5 | 6 | 8 | 9 | 10 | |||
最小值 | 2.25 | 2.75 | 4.7 | 5.7 | 7.64 | 8.64 | 9.64 | ||||
s | 公称 | 2.5 | 3 | 4 | 5 | 6 | 6 | 8 | |||
最大值 | 2.56 | 3.08 | 4.095 | 5.095 | 6.095 | 6.095 | 8.115 | ||||
最小值 | 2.52 | 3.02 | 4.02 | 5.02 | 6.02 | 6.02 | 8.025 | ||||
t | 最小值 | 短螺钉 | 2 | 2 | 3 | 4 | 4.8 | 5.6 | 6.4 | ||
长螺钉 | 3 | 3.5 | 5 | 6 | 8 | 9 | 10 | ||||
e | 最小值 | 2.87 | 3.44 | 4.58 | 5.72 | 6.86 | 6.86 | 9.15 | |||
材料 | 合金钢、不锈钢 | ||||||||||
电镀表色 | 洗白、钝化、六价铬锌、镀镍、环保彩锌、环保黑锌 达克罗、锌镍合金等 | ||||||||||

替代列表
DIN 916 - 1980 DIN EN ISO 4029 - 2004
等效标准
国标 GB | 国际 ISO | 德标 DIN |
GB /T 80 | ISO 4029 | DIN EN ISO 4029 |
以上有部分标准可能为近似等效,如有异议以标准原件为准





