地址:深圳市光明区薯田埔社区东益扬配件工业园B2栋
联系人:何建平
电话:13919413913 0755-27193913
传真:0755-27193931
QQ:1324596002
邮箱:1324596002@qq.com
网址 :kaliteozel.com
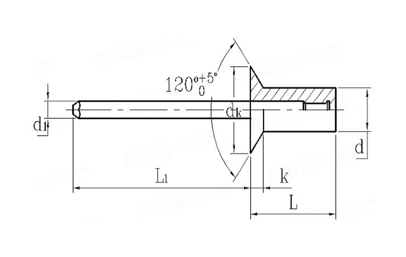
产品名称:GB12616封闭型沉头抽芯铆钉

产品规格
d | Φ3.2 | Φ4 | Φ4.8 | Φ5 | Φ6.4 | ||
d | 最大值 | 3.28 | 4.08 | 4.88 | 5.08 | 6.48 | |
最小值 | 3.05 | 3.85 | 4.65 | 4.85 | 6.25 | ||
dk | 最大值 | 6.7 | 8.4 | 10.1 | 10.5 | 13.4 | |
最小值 | 5.8 | 6.9 | 8.3 | 8.7 | 11.6 | ||
k | 最大值 | 1.3 | 1.7 | 2 | 2.1 | 2.7 | |
d1 | 最大值 | 1.85 | 2.35 | 2.77 | 2.8 | 3.75 | |
L1 | 最小值 | 25 | 25 | 27 | 27 | 27 | |
剪切载荷/N(min) | 1100 | 1600 | 2200 | 2420 | 3600 | ||
拉力载荷/N(min) | 1450 | 2200 | 3100 | 3500 | 4900 | ||
钉芯断裂载荷/N(max) | 3500 | 5000 | 7000 | 8000 | 10230 | ||
推荐的铆接范围 | - | - | - | - | - | ||
千件钢制重≈kg | - | - | - | - | - | ||

材质:不锈钢、铝、碳钢;规格:齐全;表面处理:根据客户要求





