地址:深圳市光明区薯田埔社区东益扬配件工业园B2栋
联系人:何建平
电话:13919413913 0755-27193913
传真:0755-27193931
QQ:1324596002
邮箱:1324596002@qq.com
网址 :kaliteozel.com
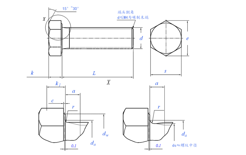
产品名称:DIN933六角头外六角螺栓

产品规格
螺纹规格 | M2 | M2.5 | M3 | (M3.5) | M4 | M5 | M6 | (M7) | M8 | M10 | M12 | (M14) | M16 | |||||
d | ||||||||||||||||||
P | 螺距 | 0.35 | 0.4 | 0.45 | 0.5 | 0.6 | 0.7 | 0.8 | 1 | 1 | 1.25 | 1.5 | 1.75 | 2 | 2 | |||
a | 最大值 | 1.05 | 1.2 | 1.35 | 1.5 | 1.8 | 2.1 | 2.4 | 3 | 3 | 3.75 | 4.5 | 5.25 | 6 | 6 | |||
c | 最小值 | 0.1 | 0.1 | 0.1 | 0.15 | 0.15 | 0.15 | 0.15 | 0.15 | 0.15 | 0.15 | 0.15 | 0.15 | 0.15 | 0.2 | |||
最大值 | 0.25 | 0.25 | 0.25 | 0.4 | 0.4 | 0.4 | 0.5 | 0.5 | 0.5 | 0.6 | 0.6 | 0.6 | 0.6 | 0.8 | ||||
da | 最大值 | 2 | 2.6 | 3.1 | 3.6 | 4.1 | 4.7 | 5.7 | 6.8 | 7.8 | 9.2 | 11.2 | 13.7 | 15.7 | 17.7 | |||
dw | A级 | 最小值 | 2.4 | 3.2 | 4.1 | 4.6 | 5.1 | 5.9 | 6.9 | 8.9 | 9.6 | 11.6 | 15.6 | 17.4 | 20.5 | 22.5 | ||
B级 | 最小值 | - | - | - | - | - | 5.7 | 6.7 | 8.7 | 9.4 | 11.4 | 15.4 | 17.2 | 20.1 | 22 | |||
e | A级 | 最小值 | 3.41 | 4.32 | 5.45 | 6.01 | 6.58 | 7.66 | 8.79 | 11.05 | 12.12 | 14.38 | 18.9 | 21.1 | 24.49 | 26.75 | ||
B级 | 最小值 | - | - | - | - | - | 7.5 | 8.63 | 10.89 | 11.94 | 14.2 | 18.72 | 20.88 | 23.91 | 26.17 | |||
k | 公称 | 1.1 | 1.4 | 1.7 | 2 | 2.4 | 2.8 | 3.5 | 4 | 4.8 | 5.3 | 6.4 | 7.5 | 8.8 | 10 | |||
A级 | 最小值 | 0.98 | 1.28 | 1.58 | 1.88 | 2.28 | 2.68 | 3.35 | 3.85 | 4.65 | 5.15 | 6.22 | 7.32 | 8.62 | 9.82 | |||
最大值 | 1.22 | 1.52 | 1.82 | 2.12 | 2.52 | 2.92 | 3.65 | 4.15 | 4.95 | 5.45 | 6.56 | 7.68 | 8.98 | 10.18 | ||||
B级 | 最小值 | - | - | - | - | - | 2.6 | 3.26 | 3.76 | 4.56 | 5.06 | 6.11 | 7.21 | 8.51 | 9.71 | |||
最大值 | - | - | - | - | - | 3 | 3.74 | 4.24 | 5.04 | 5.54 | 6.69 | 7.79 | 9.09 | 10.29 | ||||
k1 | 最小值 | 0.7 | 0.9 | 1.1 | 1.3 | 1.6 | 1.9 | 2.28 | 2.63 | 3.19 | 3.54 | 4.28 | 5.05 | 5.96 | 6.8 | |||
r | 最小值 | 0.1 | 0.1 | 0.1 | 0.1 | 0.1 | 0.2 | 0.2 | 0.25 | 0.25 | 0.4 | 0.4 | 0.6 | 0.6 | 0.6 | |||
s | 最大值=公称 | 3.2 | 4 | 5 | 5.5 | 6 | 7 | 8 | 10 | 11 | 13 | 17 | 19 | 22 | 24 | |||
A级 | 最小值 | 3.02 | 3.82 | 4.82 | 5.32 | 5.82 | 6.78 | 7.78 | 9.78 | 10.73 | 12.73 | 16.73 | 18.67 | 21.67 | 23.67 | |||
B级 | 最小值 | - | - | - | - | - | 6.64 | 7.64 | 9.64 | 10.57 | 12.57 | 16.57 | 18.48 | 21.16 | 23.16 | |||
螺纹规格 | (M18) | M20 | (M22) | M24 | (M27) | M30 | (M33) | M36 | ||||
d | ||||||||||||
P | 螺距 | 2.5 | 2.5 | 2.5 | 3 | 3 | 3.5 | 3.5 | 4 | |||
a | 最大值 | 7.5 | 7.5 | 7.5 | 9 | 9 | 10.5 | 10.5 | 12 | |||
c | 最小值 | 0.2 | 0.2 | 0.2 | 0.2 | 0.2 | 0.2 | 0.2 | 0.2 | |||
最大值 | 0.8 | 0.8 | 0.8 | 0.8 | 0.8 | 0.8 | 0.8 | 0.8 | ||||
da | 最大值 | 20.2 | 22.4 | 24.4 | 26.4 | 30.4 | 33.4 | 36.4 | 39.4 | |||
dw | A级 | 最小值 | 25.3 | 28.2 | 30 | 33.6 | - | - | - | - | ||
B级 | 最小值 | 24.8 | 27.7 | 29.5 | 33.2 | 38 | 42.7 | 46.5 | 51.1 | |||
e | A级 | 最小值 | 30.14 | 33.53 | 35.72 | 39.98 | - | - | - | - | ||
B级 | 最小值 | 29.56 | 32.95 | 35.03 | 39.55 | 45.2 | 50.85 | 55.37 | 60.79 | |||
k | 公称 | 11.5 | 12.5 | 14 | 15 | 17 | 18.7 | 21 | 22.5 | |||
A级 | 最小值 | 11.28 | 12.28 | 13.78 | 14.78 | - | - | - | - | |||
最大值 | 11.72 | 12.72 | 14.22 | 15.22 | - | - | - | - | ||||
B级 | 最小值 | 11.15 | 12.15 | 13.65 | 14.65 | 16.65 | 18.28 | 20.58 | 22.08 | |||
最大值 | 11.85 | 12.85 | 14.35 | 15.35 | 17.35 | 19.12 | 21.42 | 22.92 | ||||
k1 | 最小值 | 7.8 | 8.5 | 9.6 | 10.3 | 11.7 | 12.8 | 14.4 | 15.5 | |||
r | 最小值 | 0.6 | 0.8 | 0.8 | 0.8 | 1 | 1 | 1 | 1 | |||
s | 最大值=公称 | 27 | 30 | 32 | 36 | 41 | 46 | 50 | 55 | |||
A级 | 最小值 | 26.67 | 29.67 | 31.61 | 35.38 | - | - | - | - | |||
B级 | 最小值 | 26.15 | 29.16 | 31 | 35 | 40 | 45 | 49 | 53.8 | |||
材料 | 低碳钢、中碳钢、合金钢、不锈钢、铜等 | |||||||||||
电镀表色 | 洗白、钝化、六价铬锌、镀镍、环保彩锌、环保黑锌 达克罗、锌镍合金等 | |||||||||||

①本标准规定了M1.6至M52六角头螺钉的要求,其中产品等级A的尺寸最大为M24,且长度不超过10d或150mm;若尺寸大于M24或者长度超过10d或150mm则是产品等级B的螺栓。
②螺栓尺寸不大于M4时,末端允许不倒角。
替代列表
DIN 933 - 1987 DIN EN ISO 4017 - 2001 DIN EN ISO 4017 - 2014等效标准
国标 GB | 国际 ISO | 德标 DIN | 美标 ANSI/ASME | 欧标 EN | 意大利 UNI | 法国 NF | 印标 IS |
GB /T 5783 | ISO 4017 | DIN EN ISO 4017 | ANSI/ASME B 18.2.3.1M | EN 24017 | UNI 5739 | NF E 25-114 | IS 1364(-2) |
以上有部分标准可能为近似等效,如有异议以标准原件为准





